Подробная информация

bline.gif (87 bytes)
Сделать заказ >>>

Март 2026
ПнВтСрЧтПтСбВс
            1
2 3 4 5 6 7 8
9 10 11 12 13 14 15
16 17 18 19 20 21 22
23 24 25 26 27 28 29
30 31          

Поставки КИПиА и электротехнического оборудования


Газосигнализатор горючих газов Scacco B10-SC01/SC02

Газосигнализатор горючих газов S

Газосигнализатор горючих газов Scacco B10-SC01/SC02

Газосигнализатор горючих газов Scacco B10-SC01/SC02

Питание

Напряжение питания

230В 50 Гц

Потребляемая мощность

2.8 ВА (ожидание)

Рабочие условия

Рабочая температура

-15/+50° С

Относительная влажность

30-90%

Степень защиты

IP42

Исполнение

Размеры

122x86x40 мм

Вес

235 гр.

Цвет

слоновая кость

Корпус

PC/ABS UL94-V0

Монтаж

настенный

Сенсор

Тип

каталитический

Срок службы

5 лет

Время прогрева

30 секунд

Время срабатывания

30 секунд

Уровень сигнализации

10% нижнего порога взрывоопасности

Другие характеристики

высоко избирательный,
индикация неисправности сенсора

Выходные устройства

Электромагнитное реле

1, герметичное
250 Vac 5A (NO-C-NC)

Звуковая сигнализация

Звуковой излучатель

давление 85 дБ

Световая сигнализация

питание: зеленый
ошибка: желтый
тревога: красный

Интерфейс

кнопка – тест

Гарантия

2 года

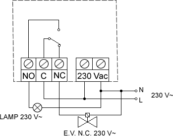
      Электрическая схема подключения газосигнализатора Scacco при наличии электромагнитного клапана 230 В~ и световой сигнализации 230 В~

Электрическая схема подключения газосигнализатора Scacco

      Газосигнализатор серии Scacco – прибор настенного монтажа со встроенным каталитическим модулем, предназначенный для обнаружения повышенных концентраций метана (CH4) и сжиженного нефтяного газа (LPG).
      Характеризуется высокой степенью надежности и малым энергопотреблением. Ударопрочный эргономичный корпус со степенью защиты IP42 соответствует всем Европейским стандартам и позволяет устанавливать газосигнализатор на большинстве монтажных коробов. Встроенный звуковой излучатель обеспечивает звуковое давление 85 дБ, гарантируя надежное оповещение в случае утечки газа. Благодаря использованию каталитического сенсора и современной схемотехнической базы, газосигнализатор Scacco переходит в состояние тревоги только при наличии в атмосфере повышенной концентрации горючего газа, гарантируя высокую избирательность к другим веществам, находящимся в воздухе.
      Газосигнализатор Scacco снабжен встроенным электромагнитным реле, позволяющим подключать к прибору внешние исполнительные устройства (электромагнитные клапаны, звуковую и световую сигнализацию и т.д.). Порог срабатывания тревоги, установленный на заводе – изготовителе, составляет 10% Н.П.В. (нижнего порога взрываемости).
      Основная область применения газосигнализатора Scacco – производственные помещения, котельные, административный и жилой сектор.

Характеристики:

  • Современный дизайн

  • Каталитический модуль

  • Низкое потребление энергии

  • Простая установка

Подключаемые устройства:

Электромагнитные клапаны

Электромагнитные клапаны

Информация c сайта www.tdpribor.ru

Тел.(4812)386407, 386663, 387597. Факс(4812)385745
E-mail: mail@tdgears.ru