Газоанализатор термохимический ГТХ-4М
Газоанализатор термохимический Г
Газоанализатор термохимический ГТХ-4М
Предназначен
для измерения концентрации водородав кислороде (ГТХ-4МВ) и кислорода в водороде
(ГТХ-4МК) на
электролизных установках .
Принцип действия - термохимический
Способ отбора пробы - принудительный
Исполнение - моноблочное для щитового
монтажа, обыкновенное по ГОСТ 12997-84
Использование - взрывоопасные зоны В-1Б
Газоанализатор ГТХ-4М имеет "Сертификат об
утверждении типа средств измерений RU.C.31.081.A
№35752", а также "Разрешение на применение на
взрывопожароопасых объектах № РРС 00-35983".
Основные технические характеристики
|
Диапазон
измерений
ГТХ4-МВ ГТХ4-МК |
0-2% об.Водорода (Н2)в
кислороде(О2)0-1%об.Кислорода (О2)в
водороде(Н2) |
|
Предел основной абсолютной погрешности
ГТХ-4МВ ГТХ-4МК |
не более 0.08 %
не более 0,04 % |
|
Выходной сигнал
Аналоговый
Цифровой |
(0-5), (4-20)mA
RS 485 c возможностью вывода результатов
запоследние 32 часа |
|
Визуализация результатов измерений |
Четырёхстрочный
жидкокристаллический дисплейс подсветкой. |
|
Время
установления выходного сигнала на уровне
Т 0,9 |
10 сек |
|
Сигнализация световая на передней панели прибора“сухие” переключающие контакты (~220В,
0,3А) |
“Норма”, “Порог1”,“Порог2”,“Отказ”
“Порог1”, “Порог2”, “Отказ” |
|
Калибровка “О” |
Ручная / автоматическая |
|
Напряжение и частота питания |
(~220+22/-33) B, (50±1)
Гц |
|
Потребляемая мощность |
30 Вт |
|
Степень защиты от воздействия окружающей
среды |
IP 44 |
|
Габаритные размеры |
485х295х135 мм |
|
Масса |
10 кг |
Дополнительная информация
Газоанализатор ГТХ-4М применяется в
соответствии с ”Правилами безопасности при
производствеводорода методом электролиза воды” ПБ 03-598-03.
Предназначен для установки в выходные линии
водорода и
кислорода на электролизерах любого типа.
Выпускается взамен устаревших
газоанализаторов ТХГ-5, ГТХ-1М
Газоанализатор ГТХ-4М единственный,
выпускаемый в России прибор, для решения данной
задачи.
Пробоподготовка для газоанализатора ГТХ-4М
Для обеспечения безотказной работы
газоанализаторов ЗАО Энал выпускает
специализированные панели подготовки газа,
предназначенные для очистки газа от аэрозолей
щёлочи, избыточной влаги, стабилизации давления
и расхода.
Панель пробоподготовки ПП-1
|
Характеристики газовой среды в точке
контроля |
|
|
Давление |
(1-10) кгс/см2 |
|
Температура |
(5-70)°С |
|
Пары
щёлочи, воды |
присутствуют |

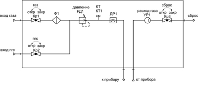
Пневматическая схема
Где:КР1 - точка контроляКР2-КР3 - кран шаровый газовый Ду15 1/2"РД1 - стабилизатор давления газа СДГ111АМФ1 - фильтр поглотительный ФП-6-01 тумана
щелочиДр1 - сопротивление пневматическое
постоянное ДП-301 КУР1 - индикатор расхода газа ИР2-06КТ1 - контрольная точка
Панель пробоподготовки ПП-2
|
Характеристики газовой среды в точке
контроля |
|
Давление |
(0,01-1,2) кгс/см2 |
|
Температура |
(5-70)°С |
|
Пары
щёлочи, воды |
присутствуют |


Пневматическая схема

Где:КР1 - кран шаровый Ду15КР2-КР3 - кран шаровый газовый Ду15 1/2”РР1 - стабилизатор расхода газа СРГ-30Ф1 - фильтр поглотительный ФП-6 тумана
щелочиУР1 - индикатор расхода газа ИР2-05Ф1
КТ1-КТ2 - контрольная точка
Газовые тракты и элементы
пробоподготовки обезжирены для работы с
чистым кислородом.
Пост контроля СГК-203
Предназначен для комплексного
оснащенияэлектролизных установок средствами газового
анализа.

Все оборудование поста комплектно размещено
на щите в удобной для обслуживания зоне.
Пост сдается заказчику “под ключ” с полной
электрической и пневматической разводкой.
Пневматическая схема проверяется на
герметичность под избыточным давлением.
Пост СГК-203 обеспечивает:
Измерение остаточного кислорода
в водороде (О2 в Н2)
Измерение остаточного водорода в
кислороде (Н2 в О2)
Подготовку газовой пробы:
очистку от аэрозолей щёлочи,стабилизацию расхода и давления газа.
Состав поста:
1. Газоанализатор
термохимический ГТХ-4МВ (Н2 в О2) -1шт.
2. Газоанализатор
термохимический ГТХ-4МК (О2 в Н2)-1шт.
3. Панель пробоподготовки ПП-1-1
шт.
4. Панель пробоподготовки ПП-2-1
шт.
5. Блок питания БП - 1шт
6. Рама щита монтажная - 1шт.
Основные технические характеристики
|
Диапазон
измерений
ГТХ4-МВ ГТХ4-МК |
0-2% об. О2 в
Н2
0-1%об. Н2 в О2 |
|
Контролируемый компонент |
О2 в Н2, Н2 в О2 |
|
Количество точек контроля |
2 |
|
Выходной сигнал
Аналоговый
Цифровой |
(0-5), (4-20)mA
RS 485 c возможностью вывода результатов
запоследние 32 часа |
|
Сигнализация световая на передней панели прибора“сухие” переключающие контакты (~220В,
0,3А) |
“Норма”, “Порог1”,“Порог2”,“Отказ”
“Порог1”, “Порог2”, “Отказ” |
|
Напряжение и частота питания |
(~220+22/-33) B, (50±1)
Гц |
|
Потребляемая мощность |
60 Вт |
|
Степень защиты от воздействия окружающей
среды |
IP 44 |
|
Габаритные размеры |
483х1664х670 мм |