Подробная информация

bline.gif (87 bytes)
Сделать заказ >>>

Март 2026
ПнВтСрЧтПтСбВс
            1
2 3 4 5 6 7 8
9 10 11 12 13 14 15
16 17 18 19 20 21 22
23 24 25 26 27 28 29
30 31          

Поставки КИПиА и электротехнического оборудования


КГ-ЭЗ, клапан газовый электромагнитный

Клапаны газовые электромагнитные КГ

Клапаны газовые электромагнитные КГ-ЭЗ

Назначение

Предназначены для использования в системах дистанционного автоматического управления газогорелочными устройствами, бытовыми отопительными установками; в технологических трубопроводных системах управления потоком природного и сжиженного газов, воздуха — в качестве запорно-регулирующего органа.

Выпускаются клапаны газовые следующих модификаций:

Обозначение

Усл. проход Dу мм

Расход не менее, мі/час

Номинальный ход якоря h, мм

Масса, не более кг,

КГЭЗ-20

20

8

3,840

КГЭЗ-40-М

40

400

15

6,625

КГЭЗ-50-М-А

50

500

15

6,590

КГЭЗ-50-М-Б

50

500

18

10,000

КГЭЗ-65-М

65

1000

18

9,900

КГЭЗ-40-Ф

40

400

15

10,225

КГЭЗ-50-Ф-В

50

500

15

10,200

КГЭЗ-50-Ф-Г

50

500

18

16,100

КГЭЗ-65-Ф

65

1000

18

16,000

Преимущества:

  • Максимальная герметичность

  • Минимальное время срабатывания

  • Минимальная потребляемая мощность

  • Высокая ремонтопригодность

  • Увеличенная в 2 раза по сравнению с аналогами пропускная способность

  • Повышенная нагревостойкость катушки

  • Резьбовое и фланцевое присоединение.

Технические данные КГЭЗ:

  • Параметры питания: 220 +22-33 В, 50 Гц

  • Потребляемая мощность: <= 35 В А

  • Температура окружающего воздуха при относительной влажности до 80% от —40 °С до +50 °С

  • Средний срок службы: 9 лет

  • Рабочее давление газа от 0,0008 до 0,05 МПа (от 0,008 до 0,5 кг/смІ)

  • Время срабатывания и возврата якоря не более 1с

  • Степень защиты электрической части IP65

  • Средняя наработка на отказ не менее 100 000 циклов

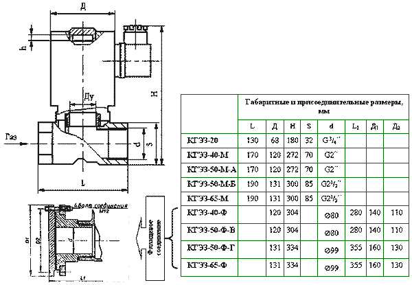
Габаритные и присоединительные размеры

 

Информация c сайта www.tdpribor.ru

Тел.(4812)386407, 386663, 387597. Факс(4812)385745
E-mail: mail@tdgears.ru