|
|
СКС6, стенд для поверки приборов типа СПГ741, СПГ761-763, СПЕ542, СПТ941-942, СПТ961, СПТ961М
Стенд поверочный СКС6
Стенд поверочный СКС6
Назначение
и область применения
Стенд является
специализированным средством измерений, предназначенным для поверки и контроля
приборов СПТ941, СПТ961, СПГ741, СПГ761-763, СПЕ542.
Использование
стенда в поверочных схемах позволяет отказаться от применения дорогостоящих
универсальных средств измерений: калибраторов тока, вольтметров, образцовых
катушек и магазинов сопротивлений, генераторов импульсов, частотомеров.
При работе под управлением компьютера стенд обеспечивает автоматизацию
выполнения рутинных операций поверки.
Сведения о сертификации
Стенд СКС6 зарегистрирован в Госреестре средств измерений РФ под № 17567-98.
Сертификат об утверждении типа № 5274.
Функциональные возможности
Для поверки и
контроля приборов стенд способен формировать ряд выходных сигналов постоянного
тока, сопротивления и частоты, генерировать импульсные пакеты, измерять период
входной импульсной последовательности и контролировать состояние двухпозиционных
сигналов.
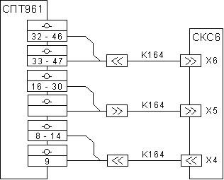
Для соединения стенда с поверяемым прибором используются специальные коннекторы
(соединительные кабели), номенклатура которых в каждом случае определятся типом
поверяемого прибора, как это проиллюстрировано на приведенном ниже рисунке.
Управление режимами работы стенда осуществляется с клавиатуры лицевой панели,
служебные сообщения отображаются на встроенном табло.
Стенд оснащен оптическим коммуникационным портом, через который, посредством
адаптера АПС70, осуществляется связь с персональным компьютером. Последний в
этом случае может брать на себя полное управление работой стенда, используя
установленный набор команд. Описание протокола обмена предоставляется по
запросу.
В качестве источников выходных сигналов стенд содержит:
-
четыре пары
генераторов тока I, для каждой из которых могут быть установлены значения:
0,025; 1,0; 2,5; 4,0; 5,0; 10,0; 15,0; 20,0 мА. Каждый генератор допускает
работу с сопротивлением нагрузки от нуля до 425 Ом;
-
генератор
сопротивления R, имитирующий четырехвыводной резистор с электронной
перестройкой, позволяющей выбрать любое значение из ряда: 51,0; 79,7; 95,1;
110,4; 125,8; 141,2; 232,0; 673,3 Ом. Предельная величина тока, протекающего
через резистор (источник этого тока - поверяемый прибор), составляет 10 мА;
-
два генератора
частоты F, которые могут быть переведены в режим формирования пакетов
импульсов. В режиме генерации непрерывных импульсных последовательностей
возможен выбор значений: 0,610351; 1,220703; 2,441405; 4,882812; 9,765625;
19,53125; 78,125; 312,5; 1250,0; 10000,0 Гц. Количество импульсов в пакете
может быть задано из ряда: 16; 64; 256; 1024; 2048; 7200; 9192; 18384;
65535. Выходные цепи генераторов выполнены по схеме с открытым коллектором.
Предельное коммутируемое напряжение - 36 В, ток - 400 мА, остаточное
напряжение в состоянии "замкнуто" - не более 1,1 В при токе 20 мА, ток
утечки в состоянии "разомкнуто" - не более 0,1 мА.
Для
измерения и контроля стенд имеет:
-
вход измерения
периода следования импульсов в диапазоне от 0,1 до 3200 мс. Этот вход
рассчитан на прием прямоугольных импульсов положительной полярности
амплитудой от 8 до 15 В, а также дискретных сигналов "замкнуто/разомкнуто" с
параметрами: остаточное напряжение в состоянии "замкнуто" - не более 1,5 В
при токе 2 мА, ток утечки в состоянии "разомкнуто" - не более 0,5 мА при
напряжении 18 В.
-
девять
специальных входов, которые обеспечивают контроль состояния двухпозиционных
сигналов "замкнуто/разомкнуто" с характеристиками: остаточное напряжение в
состоянии "замкнуто" - не более 2,5 В при токе 4 мА, ток утечки в состоянии
"разомкнуто" - не более 0,1 мА при напряжении 18 В.
На рисунке приведен
пример использования стенда в схеме поверки тепловычислителя.

|
Информация c сайта www.tdpribor.ru |
|
|