МП3-У ФОШ, МВП3-У ФОШ, ВП3-У ФОШ, технические
Манометры
Манометры, вакуумметры, мановакуумметры МПЗ-У ФОШ,
ВПЗ-У ФОШ, МВПЗ-У ФОШ

Предназначены для измерения
давления неагрессивных, некристаллизующихся сред(жидкости, газа, пара, в том
числе кислорода, ацетилена, хладонов 12,13,22,142,502).
Приборы, предназначенные для измерения хладонов, имеют дополнительную шкалу, а в
штуцер может быть ввернут демпфер для гашения пульсирующего давления.
Основные технические
характеристики:
- Пределы измерений в кгс/см2:
- МПЗ-У от 0 до 0.6; 1; 1.6; 2.5; 4; 6; 10; 16; 25; 40; 60; 100; 160; 250; 400;
- 600: 1000; 1600
- ВПЗ-У от -1 до 0
- МВПЗ-У от -1 до 0.6; 1.5; 3; 5; 9; 15; 24
- Рабочая температура окружающей среды от -50 до +60°С
- Класс точности 1.0; 1.5
- Степень защиты 1Р40; IР 53
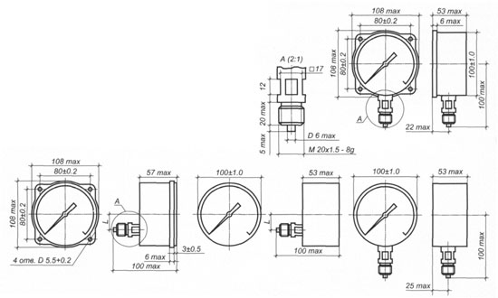
- Диаметр корпуса 100 мм
- Средний срок службы 10 лет
- Масса не более 0.7 кг
- Варианты исполнения: радиальный штуцер без фланца, с задним
- фланцем; осевой штуцер с передним фланцем, без
фланца
- Материал корпуса — сталь, алюминий, фенопласт
- Габаритные и присоединительные размеры МПЗ-У показаны на
- чертеже

|