МП2-У, МП2-У ОШ, МВП2-У, ВП2-У, технические
Манометры
Манометры, вакуумметры, мановакуумметры
МП2-У, ВП2-У, МВП2-У

Предназначены
для измерения давления неагрессивных, некристаллизующихся сред (жидкости, газа,
пара, в том числе кислорода, ацетилена).
Основные
технические характеристики:
- Пределы измерения в кгс/см2:
- МП2-У от 0 до 1; 1.6; 2.5; 4; 6; 10; 16; 25; 40; 60; 100; 160; 250; 400; 600
- ВП2-У от -1 до 0
- МВП2-У от -1 до 0.6; 1.5; 3; 5; 9; 15; 24
- Рабочая температура окружающей среды от -50 до +60°С
- Класс точности 2.5; 4.0
- Степень защиты 1Р40
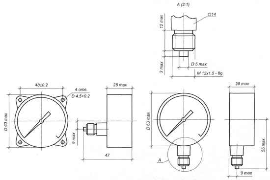
- Диаметр корпуса 60 мм
- Средний срок службы 10 лет
- Масса не более 0.15 кг
- Варианты исполнения: радиальный штуцер без фланца, осевой штуцер-
с передним и задним расположением фланца
- Материал корпуса — сталь
- Габаритные и присоединительные размеры МП2-У показаны на чертеже

|