ДМ2018 ОШ, ДА2018 ОШ, технические
Технические манометры
Технические
манометры,
мановакуумметры
ДМ2018, ДА2018
Предназначены
для измерения избыточного и вакуумметрического давления неагрессивных,
некристаллизующихся сред (жидкости, газа, пара, в том числе кислорода,
ацетилена, пропан бутана), а также для комплектации автомобильных ножных
насосов, компрессоров, газобаллонных установок и т. д.
Основные
технические характеристики:
Пределы
измерений в кгс/см2:
ДМ2018 от 0 до
2.5; 4; 6; 10;16; 25; 40; 60
ДА2018 от -1 до
1.5; 3; 5; 9; 15; 24
Рабочая
температура окружающей среды от -50 до +60°С
Класс точности
2.5; 4.0
Степень защиты
1Р40
Диаметр корпуса
40 мм
Средний срок
службы 10 лет
Масса прибора
0.08 кг
Варианты
исполнения: осевой штуцер без фланца; радиальный штуцер без фланца
Материал
корпуса — сталь
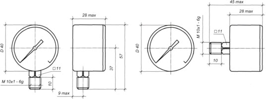
Габаритные
и присоединительные размеры ДМ2018 показаны на чертеже

|