МП, МВП, железнодорожные
Железнодорожные манометры МП и МВП
Железнодорожные манометры МП и МВП
Предназначены
для измерения избыточного давления неагрессивных по отношению к медным сплавам
жидких и газообразных сред в силовых и тормозных системах и установках
подвижного состава железных дорог, метрополитена и вагонов трамваев.
По устойчивости к механическим воздействиям манометры виброустойчивы и
вибропрочны при воздействие вибрации с ускорением 10 м/с2 в диапазоне частот от
5 до 80 Гц с амплитудой колебания не более 1.5 мм. Для измерения давления в
местах, где имеется пульсация измеряемой среды, манометры должны применяться
только в комплекте с демпферами ДВ.
Основные
технические характеристики:
- Пределы измерений в кгс/см2:
- МП от 2.5 до 6; 10; 16; 160 (вода, топливо, масло, воздух); от 0 до 40
- (хладоны 12, 13, 22, 142, 502)
- МВП от -1 до 15; 24
- Рабочая температура окружающей среды от -55 до +70°С
- Класс точности 1.5
- Степень защиты 1Р50
- Диаметр корпуса 100 мм
- Средний срок службы 10 лет
- Масса манометра МП не более 0.8 кг, демпфера не более 0.4 кг
- Выпускается с радиальным штуцером, с задним фланцем
- Материал корпуса — алюминиевый сплав
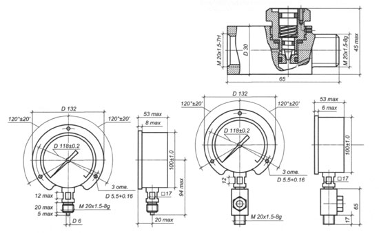
- Габаритные и присоединительные размеры (кроме МПх40 кгс/см2 и
- МВП) показаны на чертеже

|