МТП-100/ВУМ, молочный
Молочные манометры МТП
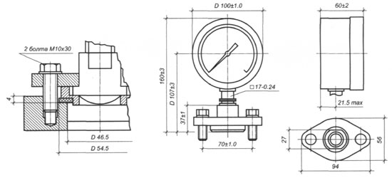
Молочные манометры МТП-100/1-ВУМ
Манометр
с мембранным разделительным устройством предназначен для измерения избыточного
давления в трубопроводах сепараторов пищевых продуктов. Состоит из манометра и
мембранного разделительного устройства. Внутренняя полость трубчатой
манометрической пружины и надмембранное пространство разделительного устройства
заполнены полиэтилсилоксановой жидкостью марки ПЭС-2 (разделительная жидкость).
По устойчивости к воздействию вибрации манометр имеет степень защиты У4 по ГОСТ
12994–84.
Основные
технические характеристики:
-Предел измерения в кгс/см2от 0 до 10
- Рабочая температура окружающей среды от -10 до +60°С
- Температура измеряемой среды до +95°С
- Класс точности 2.5
- Степень защиты 1Р40
- Диаметр корпуса 100 мм
- Средний срок службы 10 лет
- Масса не более 1.5 кг
- Исполнение: радиальный штуцер, без фланца
- Материал корпуса — алюминиевые сплавы
- Габаритные и присоединительные размеры МТП-100/1-ВУМ-
показаны на чертеже

|