МП3А-У, МВП3А-У, МП4А-У, МВП4А-У, аммиачные
Аммиачные манометры
Аммиачные манометры, МАН эвакууметры
МПЗА-У, МВПЗА-У, МП4А-У, МВП4А-У

Предназначены
для измерения давления и разряжения жидкого, газообразного и водного раствора
аммиака. Для измерения давления от 160 кгс/см2 и выше в качестве чувствительного
элемента используется полуторавитковая пружина, увеличивающая надежность
прибора.
Основные
технические характеристики:
-Пределы
измерений в кгс/см2:
- МПЗА-У от 0 до 1; 1.6; 2.5; 4; 6; 10; 16; 25; 40; 60; 100; 160; 250; 400; 600
- МВПЗА-У от -1 до 0.6; 1.5; 3; 5; 9; 15; 24
- Рабочая температура окружающей среды от -50 до +60°С
- Класс точности 1.0; 1.5
- Степень защиты 1Р40, 1Р53
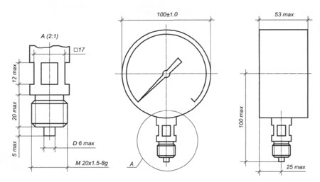
- Диаметр корпуса 100 мм
- Средний срок службы 10 лет
- Масса не более 0.7 кг
- Варианты исполнения: радиальный штуцер без фланца, с задним-
фланцем
- Материал корпуса — сталь
- Габаритные и присоединительные размеры МПЗА-У показаны на
чертеже

|