ДМ8009-КС, ДА8009-КС, ДВ8009-КС, коррозионостойкие
Манометры
Манометры,
вакуумметры, мановакуумметры мембранные коррозионностойкие ДМ8009-КС, ДВ8009-КС,
ДА8009-КС
Манометры,
мановакуумметры типа ДМ8009-КС, ДВ8009-КС, ДА8009-КС - приборы прочные и
высокого качества. Эти приборы предназначены для измерения давления и разрежения
агрессивных некристаллизующихся жидких и газообразных сред, в качестве
чувствительного элемента используется мембрана, встроенная во фланец. Приборы
выпускаются в двух исполнениях. Они могут быть использованы в широком диапазоне
температур и имеют высокую степень защиты от пыли и воды.
Основные технические
характеристики:
Пределы
измерений в кгс/см2 :
ДМ8009-Кс от 0 до 1; 1.6; 2.5; 4; 6; 10; 16; 25;
ДВ8009-Кс от -1 до 0;
ДА8009-Кс от -1 до 0.6; 1.5; 3; 5; 9; 15; 24;
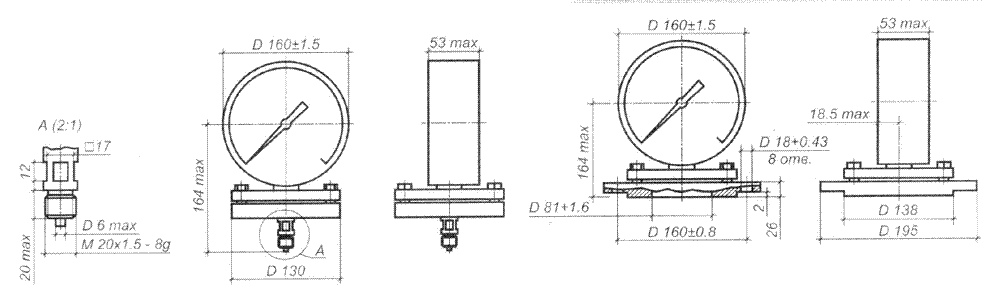
Диаметр корпуса 160 мм;
Класс точности 1.5; 2.5;
Степень защиты IP40;
Масса прибора не более: исп. 1 - 4.75 кг; исп. 2 - 7 кг; В Средний срок службы
10 лет;
Варианты исполнения: радиальный штуцер без фланца, с задним фланцем;
Материал корпуса - сталь 08КП с кислотостойким покрытием на эпоксидной основе;
Рабочая температура окружающей среды от -50 до +60°С;
Габаритные и присоединительные размеры ДМ8009-КС показаны
на чертеже.

|