М-3ВУ, В-3ВУ, МВ-3ВУ, виброустойчивые
Виброустойчивые манометры
Виброустойчивые манометры, вакуумметры, мановакуумметры М-3ВУ, В-3ВУ, МВ-3ВУ
Предназначен
для измерения избыточного и вакуумметрического давления некристаллизующихся сред
- жидкости, газа, пара, в том числе кислорода, аммиака, ацетилена,
сероводородосодержащих сред, хладонов, газоводонефтяной эмульсии, нефти и
нефтепродуктов, прибор является сейсмостойким и виброустойчивым в соответствии с
исполнением V4 по ГОСТ 12997-84.
Основные технические
характеристики:
Пределы измерений в кгс/см2 :
М-ЗВУ от 0 до 0.6 1; 1.6; 2.5; 4; 6; 10; 16; 25; 40; 60; 100; 160; 250; 400;
600; 1000; 1600;
В-ЗВУот-1;-0.6 до 0;
МВ-ЗВУ от -1 до 0.6; 1.5; 3; 5; 9; 15; 24;
Диаметр корпуса 100 мм;
Класс точности 0.6; 1.0; 1.5; 2.5;
Степень защиты IP53;
Масса прибора не более 0.8 кг;
Средний срок службы 10 лет;
Варианты исполнения: радиальный штуцер без фланца, с задним фланцем;
Материал корпуса - алюминиевые сплавы; В Рабочая температура окружающей среды от
-50 до +70°С;
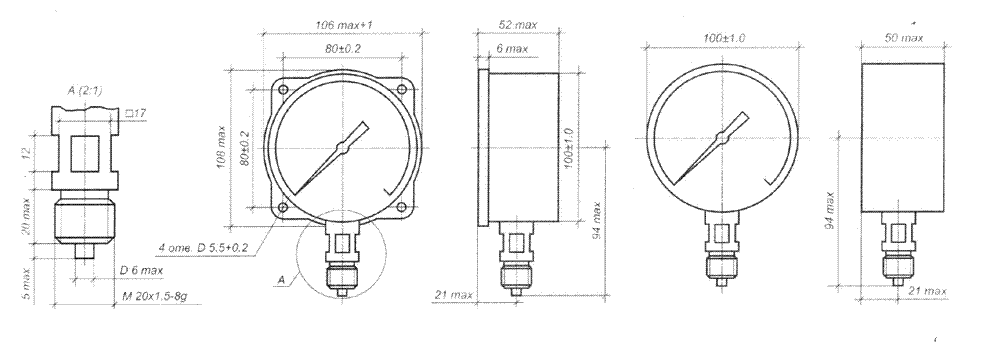
Габаритные и присоединительные размеры М-ЗВУ показаны на чертеже.

|