ДМ8008-ВУ, ДВ8008-ВУ, ДА8008-ВУ, виброустойчивые
Виброустойчивые промышленные приборы ДМ8008
Виброустойчивые промышленные приборы ДМ8008-ВУ,
ДВ8008-ВУ, ДА8008-ВУ.
Предназначены
для измерения давления и разряжения неагрессивных, некристаллизующихся
жидкостей, пара, газа в т.ч. ацетилена, жидкого, газообразного и водного
раствора аммиака.
До 100 кгс/ кв.см включительно в
качестве чувствительного элемента используется одновитковая пружина, а от 160
кгс/ кв.см и выше - полуторавитковая пружина, что намного увеличивает надежность
прибора. Внутренняя полость прибора заполнена жидкостью ПСМ-300.
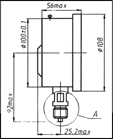
Приборы изготавливаются с
радиальным штуцером в корпусе диаметром 100 мм (см. габаритные и
присоединительные размеры). Они могут быть использованы в широком диапазоне
температур при эксплуатации и имеют высокую степень защиты от пыли и воды.
Технические
характеристики
Диапазон показаний приборов,
кгс/ кв. см:
|
ДМ8008-ВУ |
от 0 до 1;1,6;
2,5; 4; 6; 10; 16; 25; 40; 60; 100; 160; 250; 400; 600; 1000; 1600. |
|
ДМ8008А-ВУ |
от 0 до 1;1,6;
2,5; 4; 6; 10; 16; 25; 40; 60; 100; 160; 250; 400; 600; 1000; 1600
(ацетилен). |
| ДВ8008-ВУ |
от -1 до 0. |
| ДА8008-ВУ |
от -1 до 0,6; 1,5;
3; 5; 9; 15; 24. |
|
ДА8008А-ВУ |
от -1 до 0,6; 1,5;
3; 5; 9; 15; 24 (ацетилен). |
Корпус: герметичный из
алюминия
Оправа смотрового стекла (обечайка): сталь 08 с лакокрасочным покрытием МЧ-277
Циферблат: сталь 08 кп, окрашен с лицевой стороны, градуировка и цифры черные на
белом фоне
Стрелка: нерегулируемая из стали 65Г, окрашена в черный цвет
Держатель: ЛС59-1 с гранями под ключ 17х17 и резьбой М20х1,5
Соединение чувствительного элемента и держателя: пайка, аргонодуговая сварка
 
|