ДМ2010Сг, ДВ2010Сг, ДА2010Сг, сигнализирующие
Сигнализирующие манометры
Сигнализирующие манометры, вакуумметры, мановакуумметры ДМ2010Сг, ДВ2010Сг,
ДА2010Сг
Предназначены
для измерения давления неагрессивных, некристаллизующихся сред, в том числе
кислорода, и управления внешними электрическими цепями от сигнализирующего
устройства прямого действия путем включения и выключения контактов в схемах
сигнализации, автоматики и блокировки технологических процессов.
Основные технические
характеристики:
Пределы
измерений в кгс/см2 :
ДМ2010Сг от 0 до 0.6; 1; 1.6; 2.5; 4; 6; 10; 16; 25; 40; 60; 100; 160; 250; 400;
600; 1000; 1600;
ДВ2010Сгот-1 до 0;
ДА2010Сг от -1 до 0.6; 1.5; 3; 5; 9; 15; 24;
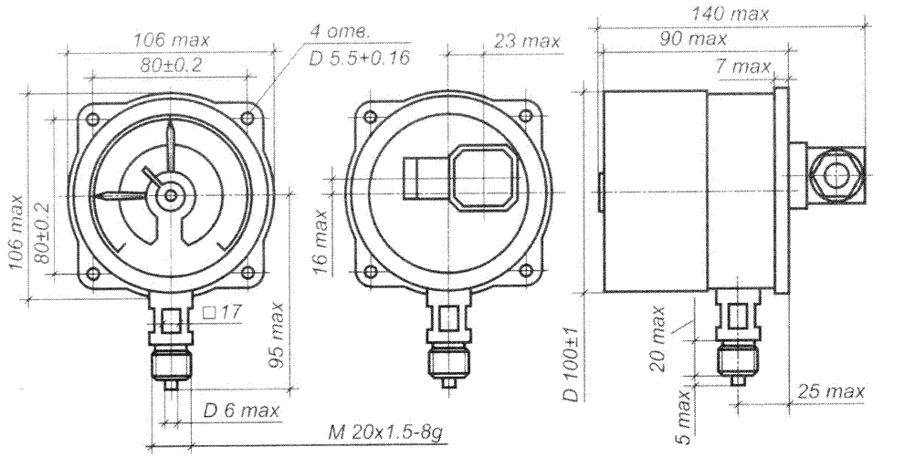
Диаметр корпуса 100 мм;
Класс точности 1.0; 1.5;
Степень защиты IP40; IP53;
Масса прибора не более 1.0 кг;
Средний срок службы 10 лет;
Варианты исполнения: радиальный штуцер с задним фланцем;
Материал корпуса - алюминий;
Рабочая температура окружающей среды от -50 до +60°С;
Сигнализирующее устройство имеет 4 вида исполнения:
III исполнение - два размыкающих контакта;
IV исполнение - два замыкающих контакта;
V исполнение - первый размыкающий, второй замыкающий;
VI исполнение - первый замыкающий, второй размыкающий;
Напряжение питания:
не более 380В для цепи переменного тока;
не более 220В для цепи постоянного тока;
Сила тока не более 1 А;
Разрывная мощность контактов:
не более 10 Вт (20 ВА) со скользящими контактами;
не более 30 Вт (50 ВА) с магнитным поджатием контактов;
Габаритные и присоединительные размеры ДМ2010Сг показаны на чертеже.

|