ДМ5007*, датчик давления
Датчики давления ДМ5007
Датчики давления ДМ5007
Предназначен
для непрерывного преобразования избыточного давления в унифицированный токовый
выходной сигнал 0–5 или 4–20 мА в условиях неагрессивных сред. Изготовлен на
основе тензорезистивных чувствительных элементов. Состоит из блока
чувствительного элемента и электронного преобразователя Блок состоит из штуцера,
выполненного из коррозионностойкого сплава, коррозионностойкого разделителя и
тензочувствительного элемента. Электронный преобразователь расположен на
печатной плате и помещен в корпус с герметизирующим резиновым кольцом. На торце
корпуса расположены клеммная колодка и регулировочные отверстия для коррекции
минимального и максимального значений токового выхода.
Основные
технические характеристики:
- Пределы измерений в кгс/см2: от 0 до 4; 6; 10; 16; 25; 40; 60; 100; 160;
- 250; 400; 600; 1000; 1600; 2500
- Рабочая температура окружающей среды от -40 до +70°С
- Средний срок службы 8 лет
- Напряжение питания 19 (42) В
- Класс точности 0.5; 1.0
- Степень защиты 1Р65
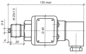
- Масса прибора не более 0.45 кг
- Габаритные и присоединительные размеры ДМ5007 показаны на чертеже

|