ТС5008, датчик температуры
Датчики температуры ТС5008
Датчики температуры ТС5008
Предназначен
для непрерывного преобразования температуры жидкостей и газов в унифицированный
токовый выходной сигнал 0–5 или 4–20 мА в условиях
неагрессивных сред в системах автоматического регулирования и управления
технологическими процессами. Связь с системами управления осуществляется
по двух- или трехпроводной линии. Состоит из терморезистивного чувствительного
элемента и электронной схемы. Термоэлемент размещается на внутренней поверхности
узкого торца корпуса, погружаемого в среду измерения. На противоположном торце
крепится термоизолятор, предохраняющий схему от воздействия тепла измеряемой
среды, и электронный преобразователь, защищенный от внешней среды колпаком
с уплотненным резиновым кольцом. На торце колпака расположена клеммная колодка
и регулировочные отверстия корректоров нуля и плавной настройки диапазона
выходного сигнала.
Основные
технические характеристики:
Диапазон
измеряемых температур от 0 до +100°С; от 0 до +150°С; от 0 до +180°С;
от 0 до +200°С; от 0 до +400°С
Класс точности
0.5; 1.0
Степень защиты
1Р65
Напряжение
питания 19 (42) В
Средний срок
службы 8 лет
Масса прибора
не более 0.8 кг
Длина монтажной
(погрузочной) части 50, 100, 150, 200 мм и более
Рабочая
температура окружающей среды от -40 до +70°С
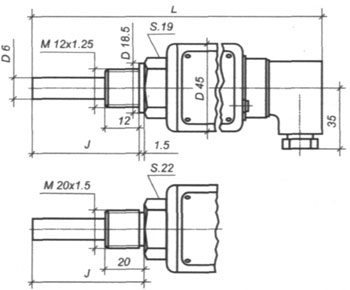
Габаритные
и присоединительные размеры ТС5008 показаны на чертеже

|