Д-1М, Д-2М, Д-1ММ, Д-2ММ, ППЭ-Д1, ППЭ-Д2, Преобразователи первичные
Общий вид и габаритные размеры п
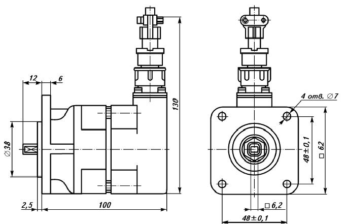
Общий вид и габаритные размеры первичных
преобразователей Д-1М, Д-2М

Общий вид и габаритные размеры первичных
преобразователей Д-1ММ, Д-2ММ

Первичные преобразователи ППЭ-Д1 и ППЭ-Д2
Выдают 30 и 60
импульсов за один оборот вала соответственно со следующими параметрами:
уровень логического "0", В, не более 3
уровень логического "I", В, не менее 10
длительность импульса на уровне ЛОГ"I", мс, не менее 50
длительность паузы на уровне ЛОГ"0", мс, не менее 50
|