ДМЭ-МИ, ДМЭР-МИ, ДМЭУ-МИ, преобразователи
Дифманометры мембранные электрические малогабаритные типов ДМЭР
Дифманометры
мембранные электрические малогабаритные типов ДМЭР-М (расходомер), ДМЭ-МИ (перепадомер),
ДМЭУ-МИ (уровнемер)
Описание
Малогабаритные измерительные преобразователи (дифманометры) с компенсацией
магнитных потоков (рис. 100) предназначены для непрерывного преобразования
расхода по перепаду давления в сужающих устройствах, разности давлений и уровня
в унифицированный токовый выходной сигнал.
Дифманометр
состоит из следующих частей: мембранного измерительного блока,
магнитомодуляционного преобразователя и усилительного устройства.
Измерительный
блок (рис. 1) состоит из мембранного блока 6 и фланцев
5 и 10, стянутых болтами 7. Мембранный
блок состоит из двух мембранных коробок 4 и 9, ввернутых в вентильную головку 8.
Внутренние полости коробок заполнены дистиллированной водой или
полиметилсилоксановой жидкостью ПМС-5. На ниппель верхней коробки навертывается
магнитный плунжер 1, находящийся внутри разделительной трубки 2. Подвод давлений
осуществляется через ниппели 3.

Рис. 1.
Дифманометр типа ДМЭ-МИ
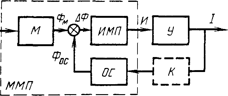
Принцип работы дифманометров
(рис. 2) основан на преобразовании измеряемого параметра чувствительным
элементом ЧЭ в пропорциональное перемещение постоянного магнита М, которое
создает управляющее воздействие в виде магнитного потока Ф„ и вызывает изменение
намагниченности сердечников магнитомодуляционного преобразователя ММП. При этом
индикатор магнитных потоков И МП преобразует разность управляющего магнитного
потока и потока обратной связи в сигнал рассогласования И, который управляет
входным сигналом усилителя У. Усиленный сигнал / поступает в линию дистанционной
передачи и одновременно через квадратор К в обмотку обратной связи ОС, которая
создает магнитный поток обратной связи Фдс, компенсирующий воздействие
управляющего магнитного потока.

Рис. 2.
Структурная схема дифманометра типа ДМЭР-М
Исполнение
обыкновенное, экспортное и тропическое.
Технические характеристики
Предельные
номинальные перепады давления:
ДМЭР-М
6,3; 10; 16; 25; 40; 63 кПа; 0,1; 0,16; 0,25; 0,4; 0,63 МПа;
ДМЭ-МИ 6,3;
10; 16; 25; 40; 63 кПа; 0,1; 0,16; 0,25; 0,4; 0,63; 1,0; 1,6 МПа;
ДМЭУ-МИ 6,3;
10; 16; 25; 40; 63 кПа; 0,1; 0,16; 0,25 МПа.
Единицы
измерения расхода: кг/ч; т/ч; м /ч; л/ч. Предельно допустимое рабочее давление
2,5; 10; 16 МПа. Пределы допустимой основной погрешности ± 1 и ±1,5%. Рабочий
диапазон выходных сигналов О...5 и 5...О О...20, 20...О мА для преобразователей
уровня. Питание от сети переменного тока: напряжение 220 В, частота 50 или 60
Гц. Габаритные размеры указаны на рис. 103. Масса не более 10,5 кг.
Условия
эксплуатации: температура окружающего воздуха 5...60 или -30...+60°С (по
обоснованному требованию потребителя), относительная влажность до 98%.
В комплект
поставки
входят: дифманометр, вентильная головка, комплект ЗИП, эксплуатационная
документация.

Рис. 3.
Габаритным чертеж дифманометра типа ДМЭ-МИ